Search
Categories
Take Off HZJ76, HZJ79, GRJ200Used Parts - ALL SERIES->Vehicles For PartsDiesel & Non USA Sections->40 Series 60-84->55 Series 69-80->60 Series 81-90-> |_ 81-87 Fast Movers! |_ 88-90 Fast Movers! |_ Accessories Racks Lifts Bumpers |_ Body Bumpers Door Interior 81-87-> |_ Body Bumpers Door Interior 88-90-> |_ Engine / Fuel FJ60-> |_ Air, Vacuum & Injection System-> |_ Alternator |_ Carburetor & Related Parts-> |_ Distributor & Ignition Coil |_ Engine & Related Parts-> |_ Intake & Exhaust Related Parts-> |_ Mounting |_ Oiling System-> |_ Standard Tool |_ Starter |_ V Belt |_ Water Circulation System-> |_ Radiator and Water Outlet |_ Water Pump |_ Engine / Fuel FJ62-> |_ Lights Electrical Mirrors 81-87-> |_ Lights Electrical Mirrors 88-90-> |_ Powertrain Brakes Steering 81-87-> |_ Powertrain Brakes Steering 88-90->70 Series->80 Series & LX450 90-07->100 Series & LX470 98-07->200 Series & LX570 2008-Current->FJ Cruiser 07-current->Manufacturers We Carry->Decals & Stickers->Gift Ideas->Hardware and Misc. Parts->Repair Manuals & LiteratureVehicles For SaleOther Toyota->Tools, Fluids, And Cleaning0_Staging Area->All Products ...
- Home
- :: 60 Series 81-90
- :: Engine / Fuel FJ60
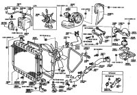
- :: Water Circulation System

